By diyauto
You must be logged in to rate content!
12 minute read
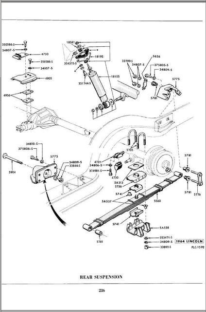
Exploded views from 1960-64 Master Parts Catalog
Compliments of ReijerLincoln @ thelincolnforum.net
10-6-2007
These are the exploded views for the 1964 model from the 1960-64 MPC. That means I've left out exploded views for the other years but they do often overlap. Perhaps someone else could post their scans/screen captures in a reply to my thread. I hope this will help someone out.
Cheers,
Reijer













































































































Read the Full Article:
http://www.thelincolnforum.net/phpbb3/viewtopic.php?f=39&t=23231

